2004 Kawasaki Ninja Ex250 Wiring Diagram

Kawasaki ninja 250r service manual 428 pages.
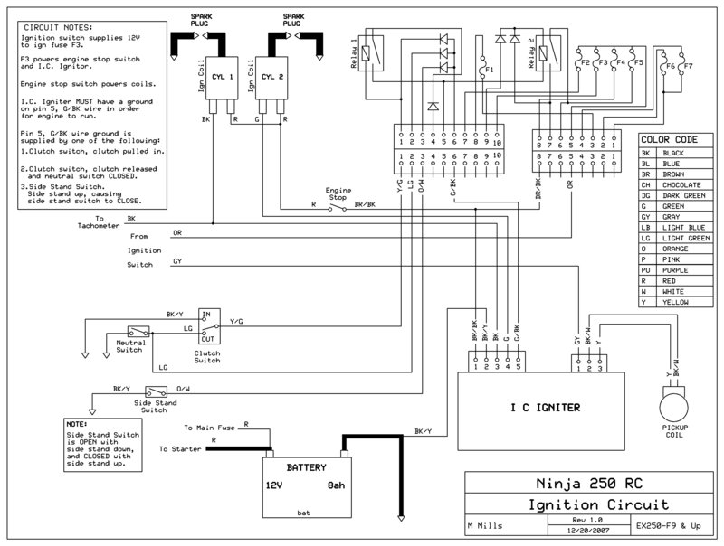
2004 kawasaki ninja ex250 wiring diagram.
Kawasaki zl600b wiring diagram kawasaki zr 7s zr750 h1 kawasaki zr1100a zephir1100 kawasaki zrx1200 kawasaki zx10r ninja 2004 service manual kawasaki zx12r 2000 service manual kawasaki zx12r ninja zx1200 a kawasaki zx6r 00 02 kawasaki zx6r 636 manual 2005 us kawasaki zx6rr racing kit manual 2005. This is a huge industrial concern for which the production of motorcycles is only one of many activities. Some kawasaki motorcycle manuals wiring diagrams pdf are above the page zx400 zxr400 klx140 ninja kx z1000 mlr w800 vulcan el concours. Kawasaki ex500 ninja 500 cyclepedia printed motorcycle service manual.2002 kawasaki ninja 250 motor on atv need wiring help. They undergo comprehensive evaluation to ensure the highest quality and durability standards to help maximize the life of your vehicle and give you peace of mind that your kawasaki is always operating at peak performance. Kawasaki er500 er5 er 500 electrical wiring harness diagram schematic 2002 06 here. Isuzu rodeo electric power door lock wiring diagram read more.
Electrical wiring diagram of dodge d100 d600 and w100 w500 read more. The cyclepedia 1986 2007 kawasaki ninja ex250 online motorcycle service manual features detailed full color photographs and wiring diagrams complete specifications with step by step procedures performed and written by a veteran kawasaki dealer trained motorcycle technician. Kawasaki en500 vulcan 500 ltd electrical wiring diagram schematic 1996 09 here. Kawasaki er650 er6n er 650 electrical wiring harness diagram schematic here.
Motorcycle kawasaki ninja 250r brochure 2010 brochure 2 pages. Wiring diagram ninja 250 fi 250r everyday 2018 blog repair manual kawasaki 150 r home diagrams 86e5 zx7 resources d77e46 of how to fix the harness on a motorcycle auto rr sheet service pdf an 9244 ex250 free wiring diagram ninja 250 fi ninja 250r wiring diagram everyday 2018 blog repair manual wiring diagram kawasaki ninja 150 r read more. Kawasaki bn125 eliminator 125 electrical wiring diagram schematic 1998 06 here. Schematic diagram for samsung mx c730 mx c630 power amp read more.
Kawasaki ninja 250r owner s manual 74 pages. In fact kawasaki heavy industries ltd. Hi and welcome to fixya to my knowledge there would only be 3 wires needed from the handlebars that affects the engine. Kawasaki er250 er 250 electrical wiring harness diagram schematic here.
Kawasaki is exclusively associated with sports bikes. Wrg 2833 ninja 500r wiring diagram. 7b914 kawasaki ninja 250 ignition wiring diagram resources. Kawasaki er 6n brochure 9 pages.
1964 ford truck f 100 wiring diagram read more. 2004 kawasaki ninja 500r wiring diagram google search kawasaki motorcycle wiring diagrams kawasaki ex500 service manual. Also see for kawasaki ninja 250r. 2003 2004 kawasaki zx6r 636 wiring diagram read more.
Temi per 2004 specifiche kawasaki ninja 500r for. Related manuals for kawasaki ninja 250r.
Source : pinterest.com